Magnetická aretace otevření/vyklopení

Schüco partner
Jsme oficiální prodejce a servis

Technické poradenství
Kování známe, rádi poradíme a pomůžeme

Individuální přístup
Každý zákazník je pro nás důležitý

Vlastní tým techniků
Pomůžeme s montáží nebo opravou
Související produkty
Detailní popis produktu
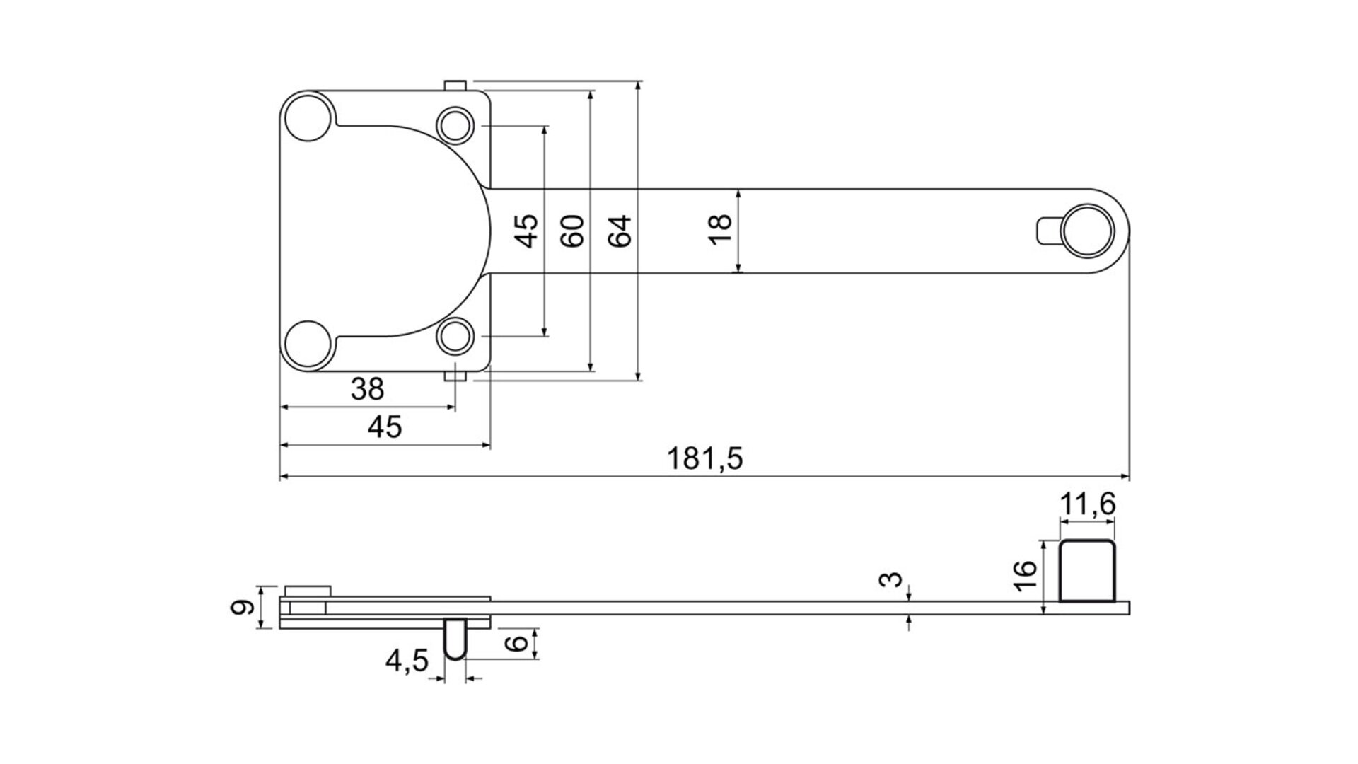
Technické specifikace:
-
Rozměr : 64 x 45 x 181,5 x 6 (16 ) mm
-
Kompatibilita: Vhodné pro plastová okna a balkonové dveře s minimální šířkou falcu rámu 45 mm.
-
Barva: Stříbrná.
-
Montáž: Pouze pro okna a dveře s dorazovým těsněním.
- Materiál : ocel
Návod na montáž - Magnetická aretace

✅ Minimální šířka vnitřní strany rámu okna je 45mm. ✅ Středové těsnění - vzdálenost mezi těsněním a okrajem je min. 45 mm.


✅ Pro stabilizaci je nutná úzká drážka pro uchycení. ❌ Rám s širokou drážkou není vhodný.


Buďte první, kdo napíše příspěvek k této položce.
Přidat komentář
